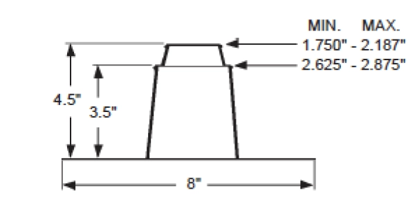
Small Pipe Boot

Seal roof penetrations with confidence using the Portals Plus Small Pipe Boot. Designed specifically for projections under 3 inches in diameter, this pipe boot offers superior performance and seamless integration into your roofing system.