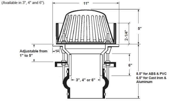
Plus Pack Roof Drain with Overflow Clamping Ring

  • Furnish and install the Portals Plus, Inc. Roof Drain with Plus Pack and Overflow Clamping Ring, at all overflow drain openings as specified on drawings.
  • Drain shall consist of a molded ultraviolet stabilized polyethylene or cast aluminum dome strainer
  • A cast aluminum epoxy coated overflow clamping ring
  • A drain body of (choose one: a cast iron drain body; or a cast aluminum drain body; or an injection molded ultraviolet stabilized PVC drain body with a 6" long schedule 40 drain body extension; or an injection molded ultraviolet stabilized ABS drain body with a 6" long schedule 40 drain body extension)
  • A cast aluminum underdeck clamp
  • A flexible EPDM connector with stainless steel clamps
  • Attachment and installation shall be done in accordance with Portals Plus' instructions and the roofing membrane manufacturer's recommendations
  • Available in 3", 4" and 6"