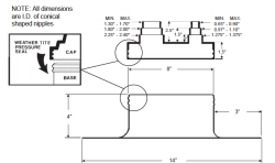
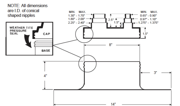
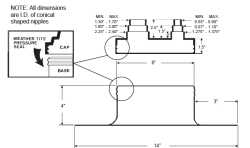
Alumi-Flash Standard with C-212 Cap

  • Furnish and install the Portals Plus Standard Alumi-Flash at all points where up to two pipes .375" - 1" and up to two pipes 1" - 2" in diameter are penetrating the roof.
  • The Standard Alumi-Flash shall include a .060" spun aluminum base unit with a height of 4" and a base diameter of 14". 
  • The 8" collared opening shall have two beaded sealing rings roll formed into the top edge. 
  • An EPDM (Ethylene Propylene Diene Monomer) compression molded cap model C-212 shall be utilized.   
  • All Caps shall include Portals Plus' stainless steel Snaplock Clamps. 
  • Attachment and installation of the Standard Alumi-Flash shall be done in accordance with Portals Plus' instructions and the roofing membrane manufacturer's recommendations.