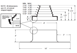
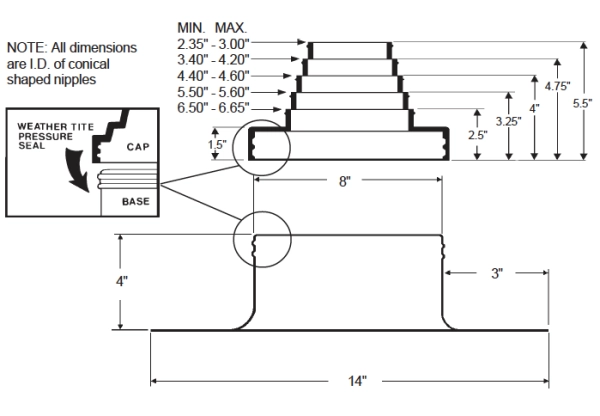
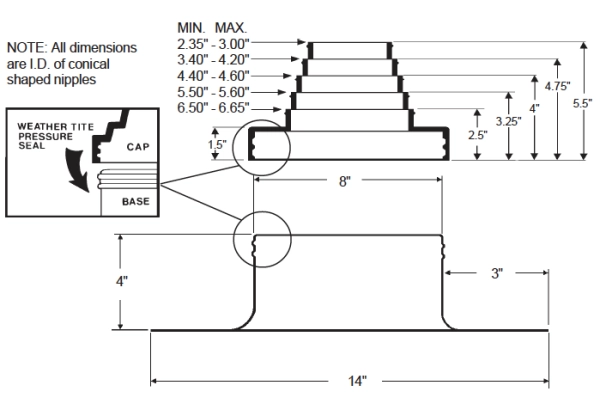
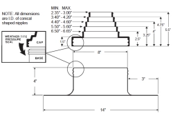
Alumi-Flash Standard with C-126 Cap

The Portals Plus Standard Alumi-Flash Standard with C-126 Cap provides reliable waterproofing at all roof penetration points where a single pipe measuring 2"–6" in diameter passes through the roof. Built for everyday performance, this unit delivers durability, stability, and ease of installation.