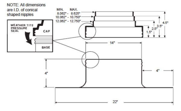
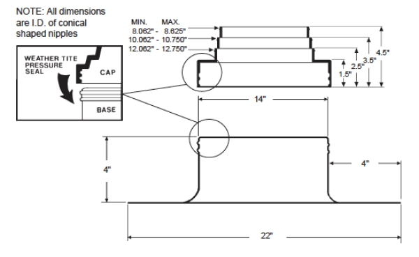
Alumi-Flash Large with C-182 Cap

  • Furnish and install the Portals Plus Large Alumi-Flash at all points where one pipe 8" - 12" in diameter penetrates the roof.
  • The Large Alumi-Flash shall include a .060" spun aluminum base unit with a height of 4" and a base diameter of 22".
  •  The 14" collared opening shall have two beaded sealing rings roll formed into the top edge. 
  • An EPDM (Ethylene Propylene Diene Monomer) compression molded cap, model C-182 shall be utilized. 
  • All Caps shall include Portals Plus' stainless steel Snaplock Clamps. 
  • Attachment and installation of the Large Alumi-Flash shall be done in accordance with Portals Plus' instructions and the roofing membrane manufacturer's recommendations.