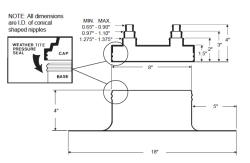
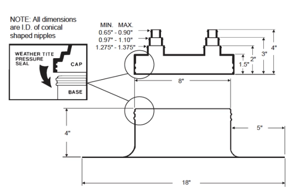
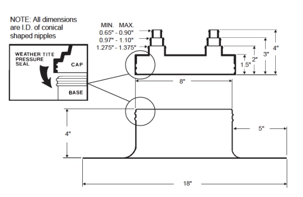
Alumi-Flash Extra Wide with C-481 Cap

  • Furnish and install the Portals Plus Extra Wide Alumi-Flash at all points where up to four pipes .375" - 1" in diameter penetrate the roof.
  • The Extra Wide Alumi-Flash shall include a .060" spun aluminum base unit with a height of 4" and a base diameter of 18". 
  • The 8" collared opening shall have two beaded sealing rings roll formed into the top edge.
  • An EPDM (Ethylene Propylene Diene Monomer) compression molded cap model C-481 shall be utilized.   
  • All Caps shall include Portals Plus' stainless steel Snaplock Clamps. 
  • Attachment and installation of the Extra Wide Alumi-Flash shall be done in accordance with Portals Plus' instructions and the roofing membrane manufacturer's recommendations.