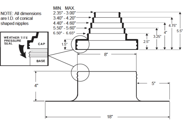
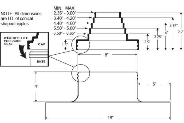
Alumi-Flash Extra Wide with C-126 Cap

The Portals Plus Alumi-Flash Extra Wide with C-126 Cap is designed to provide dependable waterproofing at all roof penetration points where a single pipe measuring 2"–6" in diameter passes through the roof. Built for durability and performance, this unit offers a wide, stable base for enhanced protection.