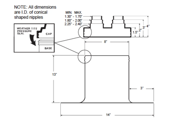
Alumi-Flash Extra Tall with C-412 Cap

  • Furnish and install the Portals Plus Extra Tall Alumi-Flash at all points where up to four pipes 1" - 2" in diameter penetrate the roof. 
  • The Extra Tall Alumi-Flash  shall include a .060" spun aluminum base unit with a height of 13" and a base diameter of 14". 
  • The 8"collared opening shall have two beaded sealing rings roll formed into the top edge. 
  • An EPDM (Ethylene Propylene Diene Monomer) compression molded cap model C-412 shall be utilized. 
  • All Caps shall include PortalsPlus' stainless steel Snaplock Clamps. 
  • Attachment and installation of the Extra Tall Alumi-Flash  shall be done in accordance with Portals Plus' instructions and the roofing membrane manufacturer's recommendations.