Alumi-Flash Extra Tall with C-126 Cap

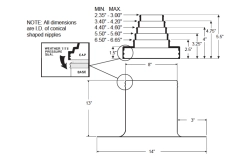
The Portals Plus Extra Tall Alumi-Flash with C-126 Cap is engineered to provide reliable, long-lasting waterproofing at all roof penetration points where a single pipe measuring 2"–6" in diameter passes through the roof system. Manufactured in Bensenville, IL, this unit delivers superior performance, durability, and ease of installation.